Центробежный вентилятор Soler Palau CMT/4-280/115-2,2
Центробежные вентиляторы одностороннего всасывания серии CMB/CMT комплектуются рабочими колесами с загнутыми вперед лопатками.
Вентиляторы предназначены для продолжительной работы при температуре перемещаемого воздуха до +80°С/110°С (серия 1) или до +150°С (серия 2 и 3).
Корпуса вентиляторов изготовлены из листовой стали и защищены от коррозии эпоксидной краской серого цвета.
Рабочие колеса изготавливаются из листовой оцинкованной стали.
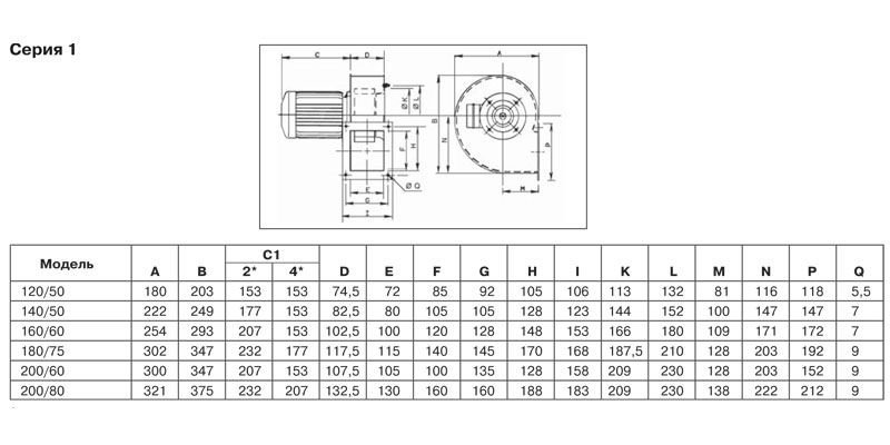
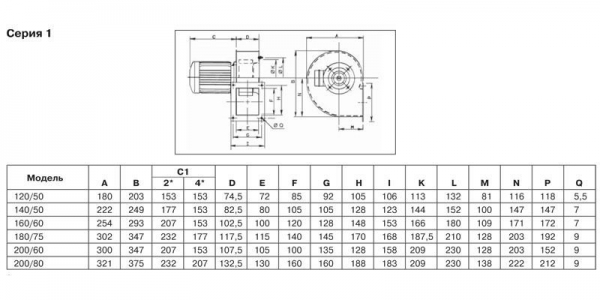
Электродвигатели вентиляторов серии 1 крепятся непосредственно к улитке вентилятора.
Стандартно вентиляторы серии 1 поставляются без опорной рамы.
Электродвигатели вентиляторов серий 2 и 3 крепятся на опорной раме.
Рабочие температуры от -20°С +40°C (низкотемпературное исполнение поставляется по запросу).
Электродвигатели
В зависимости от модели, вентиляторы комплектуются 2, 4 или 6 полюсными однофазными или трехфазными электродвигателями.
Класс защиты IP55, класс изоляции F(1), с шариковыми подшипниками не требующими обслуживания.
Параметры электропитания:
- 1ф - 230 В - 50 Гц
- 3ф - 400 В - 50 Гц
В зависимости от модели, электродвигатели могут иметь возможность регулирования скорости (см. технические характеристики).
Некоторые электродвигатели серии 1 имеют класс защиты IP44, класс изоляции B (см. технические характеристики).
Дополнительная информация: стандартное положение корпуса - LG 270; при необходимости возможно изготовление вентилятора с 8 различными положениями корпуса.
По запросу
- Вентиляторы из нержавеющей стали;
- Исполнение для работы при низких температурах;
- Вентиляторы с правым положением корпуса RD;
- Вентиляторы 1-й серии с опорной ра- мой (МS);
- Электродвигатель с терморезистора- ми (PTC), для подключения к внешнему устройству защиты.
| Производитель: | Soler & Palau |
| Тип: | Канальный, Центробежный |
| Страна производства: | Испания |
| Уровень шума: | 75 дБ |
| Объём расхода воздуха: | 5200 куб. м/час |
| Вес: | 43 |
| Серия: | Вентиляторы серии CMT |
| Материал: | Металл |
| Класс защиты: | IP55 |
| Ток (А): | 5.3 |
| Частота вращения: | 1400 об/мин |
| Макс. рабочая температура: | 40 °С |
| Параметры электропитания: | 3ф-400В-50Гц |
| Мин. рабочая температура: | -20 °С |
Авторизуйтесь, чтобы оставить отзыв: Войти





